Home>Products>Tapered Roller Bearings>Bearing 598A/593X NACHI
Bearing 598A/593X NACHI
category
Tapered Roller Bearings
Bearing 598A/593X NACHI SPECIFICATIONS
The online Bearing 598A/593X NACHI Boyal Industrial Pte ltd. parts store N/A Minimum Buy Quantity gives you immediate access to a selection of more than 1.4 million new, Flange Block Category used, 0.0 Inventory remanufactured.
- Flange Block
- 0.0
- N/A
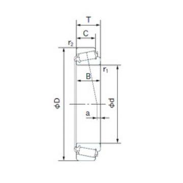
- 4.086
- M06288
- 4
- Eccentric Collar
- 4 Bolt Round Flange Cartridge
-
Jerry2020-07-10 09:46:19
Welcome to my shop! Glad to serve you! Please send your question!
Customers who bought this item also bought Tapered Roller Bearings
- Flange Block
- 0.0
- N/A
- 4.086
- M06288
- 4
- Eccentric Collar
- 4 Bolt Round Flange Cartridge
- Spherical Roller Bearing
- Cast Steel
- Expansion
- 7/16 Inch
- Yes
- 22209
- Triple Lip Viton
- 1 Piece Solid
- With Pilot
- Metric
- 4 Bolt Round Flange Cartridge; 40MM Bore; 130MM Bolt Circle; 91.948MM Bolt Spacing; 1 Piece Solid; Eccentric Collar Mount; Cast Steel; Spherical Roller Bearing; 72.9MM Length Thru Bore; Relubricatable
- Double Row
- 31171501
- 8483.20.40.80
- Bearing
- Flanged
- 9
- 0 Inch | 0 Millimeter
- 5.1 Inch | 130 Millimeter
- 2.87 Inch | 72.9 Millimeter
- 1.575 Inch | 40 Millimeter
- 4.252 Inch | 108 Millimeter
- 3.62 Inch | 91.948 Millimeter
Bearing 598A/593X NACHI Exchange Guide
| Bearing 47TS443326 KOYO | Category:Tapered Roller Bearings Assembly; Inventory:6.0; Minimum Buy Quantity:N/A; Weight:10.019; Product Group:B04334; Precision Class:Standard; Component:Assembly; Basic Number:HM120848; Assembly Number:90014; Assembly Components:HM120848 (2) | HM120817XD (1) | HM120848XA (1) | K86890 (2) | K86895 (2); End Play:0.021 to 0.027; Number of Tapered Rows:Double Row; Inch - Metric:Inch; Other Features:2 Single Cone | 1 Double Cup | Heavy Medium Duty; |
| Bearing 55175C/55437 Timken | Category:Pillow Block; Inventory:0.0; Minimum Buy Quantity:N/A; Weight:17.706; Product Group:M06288; Number of Mounting Holes:2; Mounting Method:Concentric Collar; Housing Style:2 Bolt Pillow Block; Rolling Element:Spherical Roller Bearing; Housing Material:Cast Steel; Expansion / Non-expansion:Expansion; Mounting Bolts:7/8 Inch; Relubricatable:Yes; Insert Part Number:22218; Seals:Teflon Labyrinth; |
| Bearing 47388 KOYO | Category:Flange Block; Inventory:0.0; Minimum Buy Quantity:N/A; Weight:12.712; Product Group:M06288; Number of Mounting Holes:4; Mounting Method:V Lock; Housing Style:4 Bolt Round Flange Block; Rolling Element:Spherical Roller Bearing; Housing Material:Cast Steel; Expansion / Non-expansion:Non-expansion; Mounting Bolts:3/4 Inch; Relubricatable:Yes; Insert Part Number:22216; Seals:Triple Lip Urethane; |
| Bearing 4T-32207 NTN | Category:Flange Block; Inventory:0.0; Minimum Buy Quantity:N/A; Weight:6.356; Product Group:M06288; Number of Mounting Holes:4; Mounting Method:V Lock; Housing Style:4 Bolt Square Flange Block; Rolling Element:Spherical Roller Bearing; Housing Material:Cast Steel; Expansion / Non-expansion:Expansion; Mounting Bolts:5/8 Inch; Relubricatable:Yes; Insert Part Number:22212; Seals:Triple Lip Viton; Housing Configuration:1 Piece Solid; |
| Bearing 42KWD02AG3CA123 NSK | Category:Flange Block; Inventory:0.0; Minimum Buy Quantity:N/A; Weight:10.442; Product Group:M06288; Number of Mounting Holes:4; Mounting Method:Concentric Collar; Housing Style:4 Bolt Square Flange Block; Rolling Element:Spherical Roller Bearing; Housing Material:Cast Steel; Expansion / Non-expansion:Non-expansion; Mounting Bolts:3/4 Inch; Relubricatable:Yes; Insert Part Number:22215; Seals:Double Lip Viton; |
| Bearing 46T090804 KOYO | Category:Mounted Units & Inserts; Inventory:0.0; Minimum Buy Quantity:N/A; Weight / US pound:36; Product Group:M06288; |
| Bearing 615/612 KOYO | Category:Flange Block; Inventory:0.0; Minimum Buy Quantity:N/A; Weight:7.718; Product Group:M06288; Number of Mounting Holes:4; Mounting Method:V Lock; Housing Style:4 Bolt Square Flange Block; Rolling Element:Spherical Roller Bearing; Housing Material:Cast Steel; Expansion / Non-expansion:Expansion; Mounting Bolts:5/8 Inch; Relubricatable:Yes; Insert Part Number:22214; Seals:Triple Lip Urethane; Housing Configuration:1 Piece Solid; |
| Bearing 33122/DF ISB | Category:Pillow Block; Inventory:0.0; Minimum Buy Quantity:N/A; Weight:10.442; Product Group:M06288; Number of Mounting Holes:2; Mounting Method:V Lock; Housing Style:2 Bolt Pillow Block; Rolling Element:Spherical Roller Bearing; Housing Material:Cast Steel; Expansion / Non-expansion:Non-expansion; Mounting Bolts:7/8 Inch; Relubricatable:Yes; Insert Part Number:22216; Seals:Triple Lip Viton; Housing Configuration:1 Piece Solid; |
| Bearing 438/432D+R800002 Timken | Bearing number:NJ2212-E-M6; Size (mm):60x110x28; Bore Diameter (mm):60; Outer Diameter (mm):110; Width (mm):28; d:60 mm; F:72 mm; D:110 mm; B:28 mm; C:28 mm; r1 min.:1,5 mm; r2 min.:1,5 mm; r3 min.:1,5 mm; r4 min.:1,5 mm; S:1,6 mm; Weight:1,2 Kg; Basic dynamic load rating (C):144 kN; Basic static load rating (C0):154 kN; |
| Bearing 64452A/64700B Timken | Category:Mounted Units & Inserts; Inventory:0.0; Minimum Buy Quantity:N/A; Weight:6.804; Product Group:M06288; |
Tapered Roller Bearings | The Timken Company
Timken® Tapered Roller Bearings. Timken® tapered roller bearing assemblies are precisely designed to manage both radial and axial loads, even in the most
Tapered Roller Bearings | NTN Bearing
Tapered roller bearings utilize conical rollers and raceways, arranged so that the rollers and raceways meet at a common apex. The rollers are guided by
What do you know about Tapered Roller Bearings? | Bearing
Jan 15, 2015 - Tapered roller bearings feature tapered inner and outer ring raceways with tapered rollers arranged between them, angled so the surface of the
Tapered roller bearings - features, benefits, applications | SKF
SKF Tapered roller bearings feature a cup and cone assembly. The cup is comprised of the outer ring and the cone assembly consists of inner ring, rollers, and
Tapered Roller Bearings - Large Diameter Tapered Bearings
Tapered roller bearings are used in a variety of industrial applications. The tapered rollers allow the bearings to accommodate heavy radial, axial and
Tapered roller bearing - Wikipedia
Tapered roller bearings are rolling element bearings that can support axial forces (i.e., they are good thrust bearings) as well as radial forces
Tapered Roller Bearings | Fersa Bearings
Thrust tapered roller bearing, also known as T type bearings, allow for very compact axial arrangements, able to endure large axial loads. It is distinguished by its
Tapered Roller Bearings | Roller Bearings | Products | NSK
Bearings of this type use conical rollers guided by a back-face rib on the cone. These bearings are capable of taking high radial loads and axial loads in one
Tapered Roller Bearing/Product Information/Koyo Bearings
This page introduces tapered roller bearings. The tapered shape enables a long line contact, making this bearing suitable for applications with heavy load and
Contact Us
- Boyal Industrial Pte ltd.
- Email[email protected]
- Address
- Phone(Working Time)
- Fax
Bearing 598A/593X NACHI Technical Articles
| Bearing rust prevention method reference |
| How to Choose Skeleton Oil |
| Timken Cojinetes de rodillos cruzados |
Tapered Roller Bearings CATEGORIES
- Angular Contact Ball Bearings
- Tapered Roller Bearings
- Linear Bearings
- Needle Roller Bearings
- Tapered Roller Bearings
- Double row double row tapered roller bearings (inch series)
- Double direction thrust tapered roller bearings
- Spherical Roller Bearing
- Bearing Units
- Plain Bearings
- Thrust Roller Bearings
- Needle Roller Bearing
- Angular Contact Ball Bearings
- Angular Contact Ball Bearing
- Full complement Tapered roller Thrust bearing
- Needle Roller Bearing
- Complex Bearings
- Angular Contact Ball Bearings
- Plain Bearing
- Thrust Ball Bearings
- Original hydraulic pump
- HYDRAULIC PISTON PUMP
- Original Pump
- Hydraulic Pump
- Thrust Ball Bearings
- Tapered Boller Bearings


Bearing 87737/87111 Timken
Bearing 87737/87111 NTN
Bearing 867AR/854 KOYO
Bearing 87737/87111 CX
Bearing 866R/854 KOYO